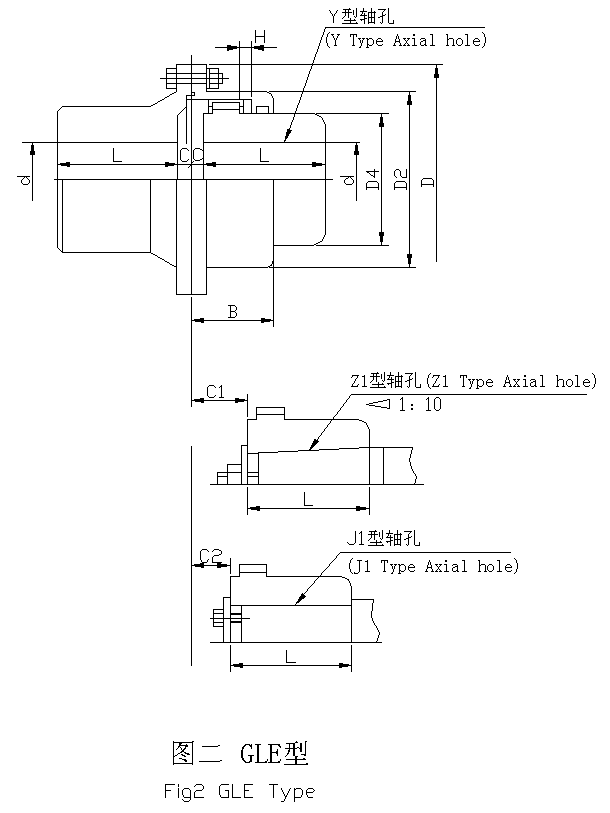
表二 (Table 2)
|
型號 |
公稱 轉(zhuǎn)矩 Tn N.m |
許用 轉(zhuǎn)速 [n] r/min |
軸孔 直徑 |
軸孔長度 L |
D |
D2 |
D4 |
B |
H |
C |
C1 |
C2 |
重量 kg |
轉(zhuǎn)動 慣量 kg.m2 |
潤 滑 脂 kg |
||
|
dmin |
dmax |
Y |
J1 Z1 |
||||||||||||||
|
GLE1 |
355 |
4000 |
14 |
19 |
42 |
-- |
103 |
71 |
50 |
49 |
2 |
8 |
- |
- |
5.7 |
0.020 |
0.06 |
|
20 |
24 |
52 |
38 |
4 |
15 |
12 |
|||||||||||
|
25 |
28 |
62 |
44 |
19 |
10 |
||||||||||||
|
30 |
35 |
82 |
60 |
23 |
|||||||||||||
|
GLE2 |
630 |
4000 |
20 |
24 |
52 |
38 |
115 |
83 |
60 |
60 |
2 |
10 |
24 |
- |
7.2 |
0.035 |
0.09 |
|
25 |
28 |
62 |
44 |
4 |
19 |
||||||||||||
|
30 |
38 |
82 |
60 |
23 |
12 |
||||||||||||
|
40 |
42 |
112 |
84 |
29 |
|||||||||||||
|
GLE3 |
1000 |
4000 |
22 |
24 |
52 |
38 |
128 |
96 |
75 |
61 |
2 |
10 |
24 |
- |
10.5 |
0.050 |
0.12 |
|
25 |
28 |
62 |
44 |
4 |
19 |
||||||||||||
|
30 |
38 |
82 |
60 |
23 |
14 |
||||||||||||
|
40 |
56 |
112 |
84 |
29 |
|||||||||||||
|
GLE4 |
1800 |
4000 |
25 |
28 |
62 |
44 |
145 |
112 |
90 |
72.5 |
2 |
12 |
19 |
- |
18.5 |
0.096 |
0.18 |
|
30 |
38 |
82 |
60 |
4 |
23 |
14 |
|||||||||||
|
40 |
56 |
112 |
84 |
29 |
|||||||||||||
|
60 |
63 |
142 |
107 |
36 |
|||||||||||||
|
GLE5 |
2800 |
4000 |
30 |
38 |
82 |
60 |
165 |
132 |
105 |
75 |
2.5 |
5 |
23 |
17 |
25 |
0.165 |
0.25 |
|
40 |
56 |
112 |
84 |
29 |
|||||||||||||
|
60 |
75 |
142 |
107 |
36 |
|||||||||||||
|
GLE6 |
4500 |
4000 |
40 |
56 |
112 |
84 |
185 |
153 |
125 |
81 |
2.5 |
5 |
29 |
17 |
30 |
0.300 |
0.35 |
|
60 |
75 |
142 |
107 |
36 |
|||||||||||||
|
80 |
90 |
172 |
132 |
41 |
|||||||||||||
|
GLE7 |
6300 |
3750 |
40 |
56 |
112 |
84 |
206 |
170 |
140 |
92 |
2.5 |
5 |
29 |
20 |
42 |
0.500 |
0.50 |
|
60 |
75 |
142 |
107 |
36 |
|||||||||||||
|
80 |
95 |
172 |
132 |
41 |
|||||||||||||
|
100 |
- |
212 |
167 |
48 |
|||||||||||||
|
GLE8 |
10000 |
3300 |
40 |
56 |
112 |
84 |
230 |
188 |
155 |
103 |
3 |
6 |
29 |
20 |
55 |
0.800 |
1.00 |
|
60 |
75 |
142 |
107 |
38 |
|||||||||||||
|
80 |
95 |
172 |
132 |
43 |
|||||||||||||
|
100 |
110 |
212 |
167 |
48 |
|||||||||||||
|
GLE9 |
14000 |
3000 |
60 |
75 |
142 |
107 |
258 |
214 |
180 |
110 |
3 |
6 |
38 |
20 |
100 |
1.500 |
1.20 |
|
80 |
95 |
172 |
132 |
43 |
|||||||||||||
|
100 |
125 |
212 |
167 |
48 |
|||||||||||||
|
130 |
- |
252 |
202 |
53 |
|||||||||||||
續(xù)表二 (Table 2 continued)
|
型號 |
公稱 轉(zhuǎn)矩 Tn N.m |
許用 轉(zhuǎn)速 [n] r/min |
軸孔 直徑 |
軸孔長度 L |
D |
D2 |
D4 |
B |
H |
C |
C1 |
C2 |
重量 kg |
轉(zhuǎn)動 慣量 kg.m2 |
潤 kg |
||
|
Y |
J1 Z1 |
||||||||||||||||
|
dmin |
dmax |
||||||||||||||||
|
GLE10 |
20000 |
2650 |
60 |
75 |
142 |
107 |
290 |
242 |
200 |
118 |
3.5 |
7 |
38 |
28 |
130 |
2.800 |
1.50 |
|
80 |
95 |
172 |
132 |
||||||||||||||
|
43 |
|||||||||||||||||
|
100 |
125 |
212 |
167 |
||||||||||||||
|
48 |
|||||||||||||||||
|
130 |
150 |
252 |
202 |
53 |
|||||||||||||
|
GLE11 |
31500 |
2350 |
75 |
- |
142 |
107 |
325 |
276 |
230 |
131 |
3.5 |
7 |
38 |
28 |
180 |
5.500 |
1.80 |
|
80 |
95 |
172 |
132 |
43 |
|||||||||||||
|
100 |
125 |
212 |
167 |
48 |
|||||||||||||
|
130 |
150 |
252 |
202 |
53 |
|||||||||||||
|
160 |
170 |
302 |
242 |
63 |
|||||||||||||
|
GLE12 |
45000 |
2100 |
85 |
95 |
172 |
132 |
365 |
315 |
265 |
140 |
4 |
8 |
43 |
32 |
268 |
10.500 |
2.50 |
|
100 |
125 |
212 |
167 |
48 |
|||||||||||||
|
130 |
150 |
252 |
202 |
53 |
|||||||||||||
|
160 |
180 |
302 |
242 |
63 |
|||||||||||||
|
GLE13 |
63000 |
1850 |
120 |
125 |
212 |
167 |
412 |
352 |
300 |
161 |
4.5 |
9 |
48 |
32 |
330 |
17.500 |
4.00 |
|
130 |
150 |
252 |
202 |
53 |
|||||||||||||
|
160 |
180 |
302 |
242 |
63 |
|||||||||||||
|
190 |
200 |
352 |
282 |
76 |
|||||||||||||
|
GLE14 |
100000 |
1650 |
140 |
150 |
252 |
202 |
462 |
400 |
335 |
171.5 |
5.5 |
11 |
53 |
32 |
500 |
33.500 |
5.50 |
|
160 |
180 |
302 |
242 |
63 |
|||||||||||||
|
190 |
220 |
352 |
282 |
76 |
|||||||||||||
|
GLE15 |
160000 |
1500 |
160 |
180 |
302 |
242 |
515 |
450 |
380 |
179.5 |
5.5 |
11 |
63 |
38 |
650 |
57.000 |
7.00 |
|
190 |
220 |
352 |
282 |
76 |
|||||||||||||
|
240 |
260 |
410 |
330 |
- |
|||||||||||||
|
GLE16 |
224000 |
1300 |
190 |
220 |
352 |
282 |
580 |
503 |
430 |
187 |
7 |
14 |
76 |
38 |
880 |
110.000 |
8.50 |
|
240 |
260 |
410 |
330 |
- |
|||||||||||||
|
280 |
320 |
470 |
380 |
- |
|||||||||||||
|
GLE17 |
355000 |
1200 |
240 |
260 |
410 |
330 |
650 |
568 |
490 |
184 |
7 |
14 |
- |
46 |
1300 |
195.000 |
11.00 |
|
280 |
320 |
470 |
380 |
- |
|||||||||||||
|
340 |
360 |
550 |
450 |
- |
|||||||||||||
|
GLE18 |
500000 |
1050 |
260 |
- |
410 |
330 |
730 |
634 |
540 |
211 |
8 |
14 |
- |
46 |
2000 |
325.000 |
13.00 |
|
280 |
320 |
470 |
380 |
- |
|||||||||||||
|
340 |
380 |
550 |
450 |
- |
|||||||||||||
|
GLE19 |
630000 |
950 |
280 |
320 |
470 |
380 |
825 |
734 |
630 |
220 |
9 |
16 |
- |
55 |
2800 |
610.000 |
17.50 |
|
340 |
380 |
550 |
450 |
- |
|||||||||||||
|
400 |
460 |
650 |
540 |
- |
|||||||||||||
|
GLE20 |
900000 |
800 |
360 |
380 |
550 |
450 |
925 |
820 |
720 |
232.5 |
10.5 |
16 |
- |
55 |
4000 |
1080.000 |
20.00 |
|
400 |
500 |
650 |
540 |
- |
|||||||||||||
|
GLE21 |
1250000 |
750 |
400 |
500 |
650 |
540 |
1040 |
920 |
810 |
3435 |
11.5 |
20 |
- |
55 |
5500 |
1850.000 |
23.00 |
|
530 |
600 |
800 |
680 |
- |
|||||||||||||
注:重量、轉(zhuǎn)動慣量是按最大軸孔直徑Y(jié)型孔計算的近似值。
Notes:Weight and rotary inertia are approximate value calculated by the greatest shaft-hole dia. of Y type hole.




